Přejít na obsahovou část stránky

Keysight a făcut gama sa de osciloscoape de 14 biți, singurele de pe piață, și mai atractivă. Osciloscoapele HD 3 sunt acum semnificativ mai accesibile (prețurile încep de la 6.447 EUR) și, datorită celei mai recente versiuni de firmware 10.20, oferă și câteva funcții noi extraordinare. Până la sfârșitul lunii februarie 2026, puteți alege două extensii software complet gratuite la fiecare osciloscop Keysight HD3 achiziționat.

Caracteristici cheie ale osciloscoapelor Keysight HD3:

  • Lățime de bandă de la 200 MHz la 1 GHz
  • Convertoare A/D pe 14 biți
  • Rată de eșantionare de 3,2 GSa/s pe fiecare canal
  • Zgomot de numai 48 µVrms la o lățime de bandă de 1 GHz
  • Rată de actualizare a formei de undă > 1.300.000 wfm/s
  • Memorie de până la 100 mil. puncte/canal

Noua versiune de firmware 10.20 (descărcați AICI) aduce funcții complet noi, precum:

Analiza jitterului – QJTA

RO_1
Persistența gradată în culori – Viziunea umană este limitată în ceea ce privește intensitatea gradării. Gradarea culorilor poate crește detaliile pe care le vedeți. Gradarea culorilor canalului analogic este realizată în MegaZoom 5 ASIC pentru a menține o rată de actualizare rapidă. Gradarea culorilor este disponibilă și pentru funcțiile matematice (inclusiv FFT).
RO_2
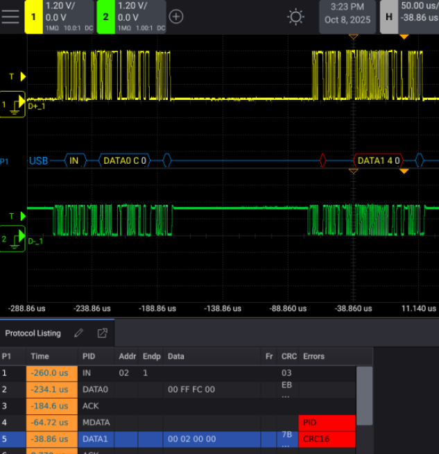
Opțiune software HD300USBA cu USB 2.0 și funcții de declanșare și decodare USB PD.
3_11
Până la 5 contoare independente de 12 cifre cu surse din canale analogice și digitale.
RO_4

Până la 28 februarie 2026, două opțiuni software GRATUITE la achiziționarea osciloscopului Keysight HD3:

Pentru fiecare osciloscop Keysight HD3 achiziționat înainte de 28 februarie 2026, veți primi două extensii software la alegere, complet GRATUIT. Puteți alege dintre:

  • Generator de funcții/forme de undă arbitrare de 100 MHz
  • Analiza puterii – set de funcții de testare a surselor de alimentare
  • Analiza magistralelor încorporate (I²C, SPI, RS232 / 422 / 485 / UART)
  • Analiza magistralelor auto (CAN, CAN FD, CAN XL, LIN, SENT)
  • Analiza magistralelor aeronautice/militare (MILSTD 1553, ARINC 429)
  • Upgrade de memorie la 100 Mpoints/canal
  • Analiza magistralelor USB 2.0 și USB PD
  • Analiza jitter


Opțiunile software gratuite pot fi solicitate AICI.

Acest site web folosește cookie-uri

Essential cookies are allowed for the operation of the website. Optional cookies are needed for better service provision, personalization and traffic analysis. You can set your choice here. Arata detaliile

Setări cookie

Intimitatea ta este importantă. Arata detaliile